22
10-2024

发明专利
一种集成电路用铁镍合金引线框架材料、其制备方法及引线框架的钎焊方法本发明公开了一种集成电路用铁镍合金
10
09-2024

发明专利
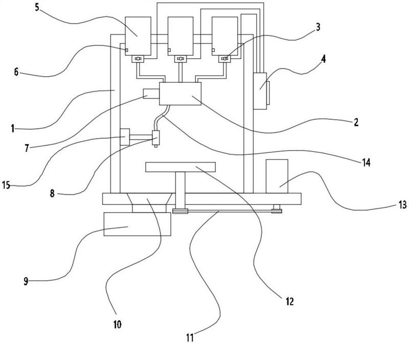
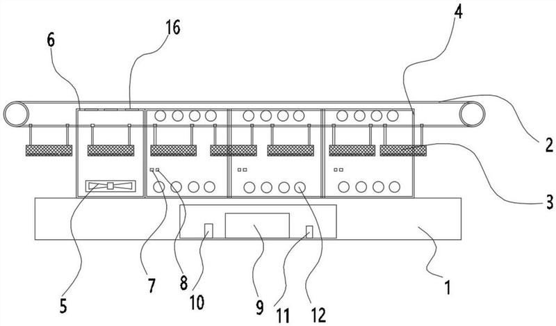
引线框架表面缺陷检测方法及系统本发明提供一种引线框架表面缺陷检测方法及系统,涉及检测技术领域,包括收
03
09-2024

发明专利
一种CQFP引线框架表面处理方法及电镀装置本发明公开了一种CQFP引线框架表面处理方法及电镀装置,属
05
07-2024

发明专利
一种蚀刻液搅拌机构及处理装置本实用新型公开了一种蚀刻液搅拌机构及处理装置,涉及PCB蚀刻液技术领域,
14
06-2024

发明专利
一种蚀刻喷淋机构及固定装置本实用新型公开了一种蚀刻喷淋机构及固定装置,涉及蚀刻技术领域,包括,支撑部
03
05-2024
发明专利
一种印刷板式换热器芯板的制备方法本发明涉及一种印刷板式换热器芯板的制备方法,包括:对钛金属板和镍金属
15
03-2024

发明专利
一种确保蚀刻速度的加工工艺本发明涉及一种确保蚀刻速度的加工工艺,包括蚀刻底座、蚀刻槽和电控箱,所述的
27
02-2024

发明专利
一种PEM水解制氢钛金属双极板及其制备方法本发明公开了一种PEM水解制氢钛金属双极板及其制备方法,通
27
05-2022

发明专利
一种提高金属产品蚀刻质量的方法本发明涉及一种提高金属产品蚀刻质量的方法,包括:在常温下,将涂覆感光材
22
03-2022

发明专利
一种用于蚀刻槽的氯离子补充装置本实用新型涉及一种用于蚀刻槽的氯离子补充装置,包括蚀刻槽盖、纵向输送管
28
12-2021

发明专利
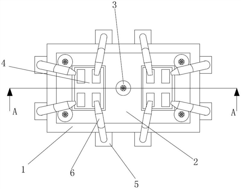
一种半蚀刻金属板本实用新型涉及一种半蚀刻金属板,包括板体、圆片和弧形条,所述的板体上端面中部设置有下
10
12-2021

发明专利
一种带有输氧装置的蚀刻槽本实用新型涉及一种带有输氧装置的蚀刻槽,包括蚀刻槽本体、槽体和放置座,所述的
10
12-2021

发明专利
一种带有换热式降温结构的蚀刻槽本实用新型涉及一种带有换热式降温结构的蚀刻槽,包括换热座、蚀刻槽本体和
10
12-2021

发明专利
一种带有液面震荡功能的蚀刻槽本实用新型涉及一种带有液面震荡功能的蚀刻槽,包括蚀刻槽本体、控制面板和槽
07
12-2021

发明专利
一种带有温度控制装置的蚀刻槽本实用新型涉及一种带有温度控制装置的蚀刻槽,包括蚀刻槽本体、槽体和支座,
07
12-2021

发明专利
一种用于蚀刻产品清洗的流水线装置本实用新型涉及一种用于蚀刻产品清洗的流水线装置,包括清洗槽、传动轮和
07
12-2021

发明专利
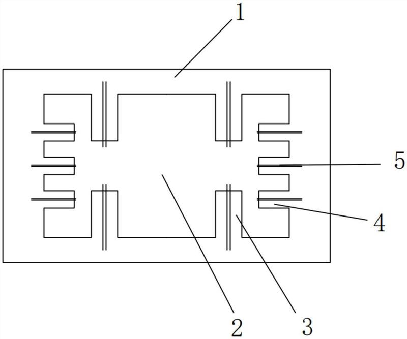
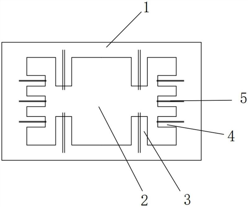
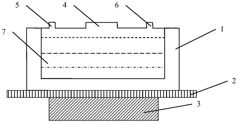
一种引线框架蚀刻板本实用新型涉及一种引线框架蚀刻板,包括金属板本体、中部蚀刻部、纵向引线设置部,所述
07
12-2021

发明专利
一种喷射式蚀刻槽本实用新型涉及一种喷射式蚀刻槽,包括蚀刻槽本体、槽体、下部回液箱和喷射泵,所述的蚀刻
07
12-2021

发明专利
一种带有沉淀物抽出结构的蚀刻槽本实用新型涉及一种带有沉淀物抽出结构的蚀刻槽,包括蚀刻槽本体、槽体和底
29
10-2021
发明专利
一种用于钛及钛合金金属片的蚀刻液本发明涉及一种用于钛及钛合金金属片的蚀刻液,由以下组分组成:氢碘酸、
01
01-2021

发明专利
一种温控预热滚涂机本实用新型公开了一种温控预热滚涂机,包括输送带,所述的输送带上侧并排设置有预热箱和
18
12-2020

发明专利
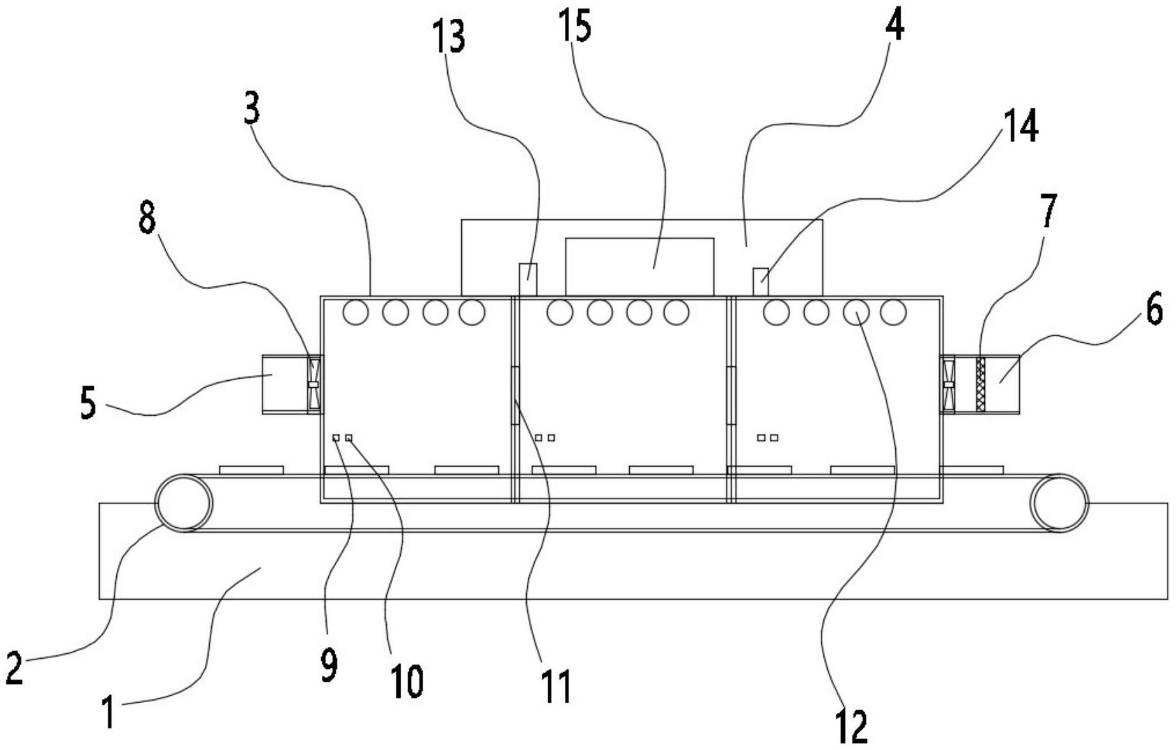
一种蚀刻产品的通风烘干装置本实用新型公开了一种蚀刻产品的通风烘干装置,包括机台和输送带,所述的机台的
18
12-2020

发明专利
一种自动配料蚀刻机本实用新型公开了一种自动配料蚀刻机,包括蚀刻壳体,所述的蚀刻壳体的顶部安装有若干个
18
12-2020

发明专利
一种金属片材的超声震动清洗装置本实用新型公开了一种金属片材的超声震动清洗装置,包括清洗腔,所述的清洗
18
12-2020

发明专利
一种金属片材的梯度变温烘干装置本实用新型公开了一种金属片材的梯度变温烘干装置,包括机台,所述的机台的
27
10-2020

发明专利
一种变温预热曝光机本实用新型公开了一种变温预热曝光机,包括机台,所述的机台的上侧设置有输送平台,所述
11
08-2020

发明专利
一种用于不锈钢的震荡蚀刻方法本发明涉及一种用于不锈钢的震荡蚀刻方法,采用超声震荡装置对不锈钢进行震荡
14
07-2020
发明专利
一种提高蚀刻产品质量的蚀刻液本发明涉及一种提高蚀刻产品质量的蚀刻液,由三氯化铁、氯化铜、硫化氢和水组
23
06-2020

发明专利
一种泡棉胶粘带本发明涉及一种泡棉胶粘带,包括胶粘带主体,所述的胶粘带主体共有六层,从下到上依次为基材
27
03-2020

发明专利
一种用于钛箔微孔图形的蚀刻液及蚀刻方法本发明涉及一种用于钛箔微孔图形的蚀刻液及蚀刻方法,蚀刻液按体积
17
03-2020

发明专利
一种泡棉胶粘带本实用新型涉及一种泡棉胶粘带,包括胶粘带主体,所述的胶粘带主体共有六层,从下到上依次为
04
06-2014
发明专利
一种HID电子镇流器本发明涉及一种HID电子镇流器,包括EMI滤波及整流电路,有源功率因数校正电路,
09
11-2024
企业文化
企业文化 文化要素 文化内容